ارسل لنا عبر البريد الإلكتروني
أخبار

بناء وصيانة الحفارات الصغيرة

بناء وصيانة الحفارات الصغيرة


ابتكار بناء الحفريات الصغيرة والصيانة الذكية: الجسم الصغير يحمل مشاريع كبيرة


1 、 تحليل بناء الحفارات الصغيرة: تكنولوجيا الأبعاد الأربعة إعادة تشكيل "ساحر الفضاء"

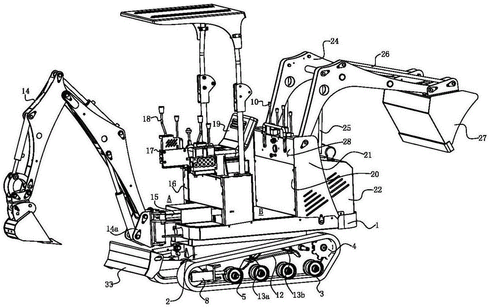
الهيكل والمشي:


تصميم Tailless Turning: تتبنى نماذج مثل Sany Sy18U هيكل "نتوء ذيل صفري" ، مع دائرة نصف قطرها ذيل يدير 0.86 متر فقط ، مما يتيح دوران مجاني 360 درجة في أنفاق ضيقة دون التصادم مع الجدران. في الوقت نفسه ، يمكن أن يحقق حفار Mini البالغ 0.8 طن أيضًا نصف قطر الدوران 1.1 متر ، مما يسمح بتشغيل مجاني ومرن في المساحات الضيقة.


إطار المسار القابل للتعديل: يمكن ضبط مقياس المسار بحرية (مثل SY16C دعم التوسع والانكماش 980-1350MM) ، مما يجعل من السهل عبور الأزقة الضيقة التي يبلغ طولها 1 متر. ضغط تأريض المسار المطاطي منخفض يصل إلى 25 كيلو باسكال ، يحمي الأرض المعبدة.


محامل التشحيم الذاتي: يستخدم هيكل Yanmar محامل Iglidur G Series Plastic Bealings بدلاً من محامل الكرات التقليدية ، والتي هي مضادة للتلوث ، ومضادة للصدأ ، وخالية من الصيانة ، مما يزيد من عمر الخدمة بثلاث مرات.




الطاقة والنظام الهيدروليكي:


ثورة الطاقة المزدوجة: تتبنى حفارة صغيرة من Kubota KX019 ، والتي تدعم تبديل النقرات واحدة للديزل/الكهربائية ، وتوفر حزمة بطارية 20 كيلو وات ساعة 8 ساعات ، وضوضاء التشغيل الداخلية تصل إلى 66 ديسيبل.


التحكم الهيدروليكي الذكي: تحقق التكنولوجيا الحساسة للحمل (مثل Shengang SK35SR-6) دقة توزيع التدفق بنسبة ± 1.8 ٪ ، وسرعة استجابة الإجراء المركبة البالغة 0.7 ثانية ، وتقليل استهلاك الطاقة بنسبة 22 ٪.




تعزيز معدات العمل:


البنية المقاومة للارتداء: خضع المفصل المفصلي لطفرة الحفارة المدمجة معالجة حرارية للكربن (الصلابة HRC55+) ، ويتم لحام الدلو مع لوحة مقاومة للارتداء HARDOX500 (صلبة HB500) ، مما يمتد إلى عمره بنسبة 30 ٪.


براءة اختراع ذراع متحرك جانبي: يحقق كوبوتا U-15-3S الانحراف الأيسر من 595 ملم/الانحراف الأيمن من 350 مم ، ولا يتطلب الحفريات المثبتة على الحائط تحريك الجسم.


الجهاز الدوار ، 360 درجة التشغيل على جميع الجولة ، مرنة للتكيف مع بيئات العمل المختلفة.


ترقية تفاعل الكمبيوتر البشري


الكابينة المقاومة للمقاومة: معتمدة من ROPS/FOPS (مقاومة لـ 16 طنًا من الضغط الثابت) ، مزودة بمقاعد عائمة وشاشة لمس LCD ومراقبة المنظر المحيطي AI ، مما يقلل من البقع العمياء بنسبة 40 ٪.


2 、 الصيانة والصيانة اليومية:

القاعدة الذهبية للصيانة اليومية


إدارة الزيت الهيدروليكي: استخدم الزيت الهيدروليكي المضاد للملابس رقم 68 في الصيف والزيت المنخفض اللزوجة رقم 32 في الشتاء. تحقق بانتظام من نظافة NAS (≤ المستوى 8) لمنع ارتداء المضخة وصمام.


دورة ملء الزبدة: حقن الشحوم كل 10 أيام للمحمل الدوار ، وحقن الشحوم عالية الضغط كل 4-8 ساعات لنقطة المفصلة لجهاز العمل لتجنب عمود الدبوس.




تقنية تمديد حياة المكون الرئيسي:


نظام المسار: اضبط التوتر لتجنب أن تكون فضفاضًا جدًا (قفز الأسنان) أو ضيق جدًا (ارتداء تسريع) ؛ قم بتنظيف الحصى بانتظام لمنع فشل الختم لعجلة الدعم.


صيانة "ارتداء المثلث الحديدي":

تفتيش حذاء المسار للشقوق/500 ساعة

أسنان ضرس القيادة مسطحة مسطحة واستبدالها على الفور

يجب إصلاح تسرب زيت ختم العجلة الخامل

وفقًا لإحصائيات Cat Stowers ، فإن 80 ٪ من فشل الهيكل ناتج عن هذه الأنواع الثلاثة من المكونات.


إرشادات للتعامل مع ظروف العمل المتطرفة:


تشغيل الارتفاع العالي: يتمتع المحرك التوربيني في الحفارة المصغرة بتعويض طاقة قدره 15 ٪ ، ويتم تجهيز النظام الهيدروليكي بصمام تعويض الضغط لمنع فقدان التدفق.

عملية خوض المياه: في إنقاذ الفيضان الإيطالي ، حقق HX35AZ الحديث عمقًا خوضًا يبلغ 0.8 متر من خلال وحدة دائرة مغلقة.


معايير التخزين على المدى الطويل:


ركن في غرفة جافة ، ودعم المسارات لتقليل ضغط التأريض ؛

املأ خزان الوقود لمنع التكثيف ، وتراجع جميع الأسطوانات الهيدروليكية لمنع شيخوخة الختم ؛

ابدأ مرة واحدة كل 3 أشهر لمنع لوحة الدائرة من الحصول على رطب.


3 、 الحدود التكنولوجية: كهربة وإعادة هيكلة ذكية للبيئة الصناعية

ثورة السلطة:


البطارية المعيارية: يدعم Hitachi ZX55U-6EB محركًا مزدوجًا من الطاقة التجارية والبطارية ، مع شحن سريع لمدة ساعتين لتلبية 10 ساعات من التشغيل في 6 ساعات.


اختبار طاقة الهيدروجين: قامت HD Hyundai بتطوير محرك وقود الهيدروجين (HX12) لتحقيق بناء الكربون صفري.


الصيانة التنبؤية:


تشخيص IOT عن بُعد: تم تجهيز Sany Sy35U بنظام Hi Mate ، الذي يحلل درجة حرارة الزيت وبيانات الاهتزاز في الوقت الفعلي ، مع معدل دقة تحذير الصدع 92 ٪.


مساعدة الصيانة AR: يوفر Kaise Micro الحفريات التدريب على تشغيل VR للحفارات الصغيرة ، ومحاكاة 30 سيناريوهات خطأ وتحسين كفاءة الصيانة بنسبة 40 ٪.


4 、 شاهد عملي: من استعادة المنزل القديم إلى معالجة التعدين

استعادة مقر إقامة باحث من أسرة مينغ وتشينغ في تايتشو: أكملت حفارة صغيرة من كوبوتا U-15-3S التنقيب عن خندق الأنابيب تحت الأرض من خلال قوس 0.85 متر ، ووظيفة الحركة الجانبية للازدهار تحمي الجدار القديم بمعدل 95 ٪ على سليم.


العمليات تحت الأرض في منجم النحاس التشيلي: حفارة مضغوطة مع سيارة أجرة معززة المعدلة تعمل بشكل مستمر لمدة 300 ساعة دون أي أعطال ، مما يؤدي إلى انخفاض بنسبة 23 ٪ في تكاليف التحميل.


بناء البلدية الليلي في طوكيو: تعمل النسخة الكهربائية الخالصة من حفارة Sany Sy19E Mini بصمت في 66 ديسيبل ، وحل مشكلة "نافذة البناء" في المدينة.


الخلاصة: يحمل الجسم الصغير مستقبلًا كبيرًا

من النموذج الرفيع للغاية الذي يبلغ ارتفاعه 0.8 طن إلى المحارب الثقيل الذي يبلغ طوله 4 أطنان ، يخضع الحفارات الصغيرة لتطور ثلاثي للبناء الدقيق ، ومصادر الطاقة المتنوعة ، والصيانة الذكية ، وإعادة تشكيل نموذج البناء العالمي. مع وجود المبيعات السنوية التي تتجاوز 3100 وحدة في السوق الهندية ومعدل الاختراق المقدر بنسبة 40 ٪ للمحركات الكهربائية بحلول عام 2025 ، فإن هذه الثورة التكنولوجية المتمثلة في "استخدام صغير للحصول على كبير" مقدر للكشف عن فرصة ذهبية في سوق تريليون دولار.


تجربة صيانة الصناعة:

بالنسبة للحفارات المدمجة ، فإن تصميم الدقة هو العمود الفقري ، في حين أن الصيانة الذكية هي شريان الحياة ، وتوفير تكاليف الصيانة بمقدار 1 يوان وتقليل نفقات الإصلاح بمقدار 10 يوان.



أخبار ذات صلة
اترك لي رسالة
بريد إلكتروني
market@everglorymachinery.com
هاتف
+86-18153282520
متحرك
عنوان
طريق تشانغجيانغ الغربي، منطقة هوانغداو، مدينة تشينغداو، مقاطعة شاندونغ، الصين
X
نحن نستخدم ملفات تعريف الارتباط لنقدم لك تجربة تصفح أفضل، وتحليل حركة مرور الموقع، وتخصيص المحتوى. باستخدام هذا الموقع، فإنك توافق على استخدامنا لملفات تعريف الارتباط. سياسة الخصوصية
يرفض يقبل